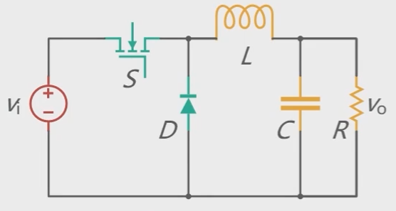
Buck 电路实现降压。输出电压均值等于,

  • 通过电容 C 平滑输出电压
  • 通过电感 L 抑制电容的电流突变

    电容电流计算式

    是流过电容的电流; 是电容的电容量; 是电容两端电压的导数。

    指向原始笔记的链接
  • 通过续流二极管为电感 L 提供续流回路